Week's Responses
| Student & Quiz | Question Text | Result | Date & Time |
|---|---|---|---|
|
surak halli
ITI Quiz - 05-Mar-2026 02:56 PM
|
What is the Electro Chemical Equivalent (ECE) of copper? | ತಾಮ್ರದ ಎಲೆಕ್ಟ್ರೋ ರಾಸಾಯನಿಕ ಸಮಾನತೆ (ECE) ಎಂದರೇನು?
|
Mar 05, 2026
03:40 PM
|
|
|
surak halli
ITI Quiz - 05-Mar-2026 02:56 PM
|
Which cell is most often used in digital watches? | ಯಾವ ಸೆಲ್ನ್ನು ಹೆಚ್ಚಾಗಿ ಡಿಜಿಟಲ್ ಗಡಿಯಾರಗಳಲ್ಲಿ ಬಳಸಲಾಗುತ್ತದೆ?
|
Mar 05, 2026
03:40 PM
|
|
|
arjun jadhav
ITI Quiz - 05-Mar-2026 02:56 PM
|
What is the total voltage of the circuit as shown in the figure? | ಚಿತ್ರದಲ್ಲಿ ತೋರಿಸಿರುವಂತೆ ಸರ್ಕ್ಯೂಟ್ನ ಒಟ್ಟು ವೋಲ್ಟೇಜ್ ಎಂದರೇನು?
|
Mar 05, 2026
03:40 PM
|
|
|
surak halli
ITI Quiz - 05-Mar-2026 02:56 PM
|
What is the effect on output power with respect to the temperature of solar cells? | ಸೌರ ಸೆಲ್ಸ್ಗಳ ಉಷ್ಣತೆಗೆ ಸಂಬಂಧಿಸಿದಂತೆ ಔಟ್ಪುಟ್ ಪವರ್ ಮೇಲೆ ಏನು ಪರಿಣಾಮ ಬೀರುತ್ತದೆ?
|
Mar 05, 2026
03:40 PM
|
|
|
shivanand sandimani
ITI Quiz - 05-Mar-2026 02:56 PM
|
What is the effect of buckling defect in a lead acid battery? | ಲೀಡ್ ಆಸಿಡ್ ಬ್ಯಾಟರಿಯಲ್ಲಿ ಬಕ್ಲಿಂಗ್ ದೋಷದ ಪರಿಣಾಮವೇನು?
|
Mar 05, 2026
03:40 PM
|
|
|
shivanand sandimani
ITI Quiz - 05-Mar-2026 02:56 PM
|
Which electrolyte used in carbon zinc dry cells? | ಕಾರ್ಬನ್ ಜಿಂಕ್ ಒಣ ಕೋಶಗಳಲ್ಲಿ ಬಳಸಿದ ವಿದ್ಯುದ್ವಿಚ್ಛೇದ್ಯ ಯಾವುದು?
|
Mar 05, 2026
03:40 PM
|
|
|
surak halli
ITI Quiz - 05-Mar-2026 02:56 PM
|
Which method charges the battery at low current for long period? | ಯಾವ ವಿಧಾನವು ಬ್ಯಾಟರಿಯನ್ನು ಕಡಿಮೆ ಕರೆಂಟ್ನಲ್ಲಿ ದೀರ್ಘಕಾಲದವರೆಗೆ ಚಾರ್ಜ್ ಮಾಡುತ್ತದೆ?
|
Mar 05, 2026
03:40 PM
|
|
|
surak halli
ITI Quiz - 05-Mar-2026 02:56 PM
|
Which formula is derived from the Faraday’s law of electrolysis? | ಫ್ಯಾರಡೆಯ ವಿದ್ಯುದ್ವಿಭಜನೆಯ ನಿಯಮದಿಂದ ಯಾವ ಸೂತ್ರವನ್ನು ಪಡೆಯಲಾಗಿದೆ?
|
Mar 05, 2026
03:40 PM
|
|
|
arjun jadhav
ITI Quiz - 05-Mar-2026 02:56 PM
|
Which instrument is used to measure the specific gravity of electrolyte in lead acid battery? | ಲೀಡ್ ಆಯ್ಸಿಡ್ ಬ್ಯಾಟರಿಯ ನಿರ್ದಿಷ್ಟ ಗುರುತ್ವ ವಿದ್ಯುದ್ವಿಚ್ಛೇದ್ಯವನ್ನು ಅಳೆಯಲು ಯಾವ ಉಪಕರಣವನ್ನು ಬಳಸಲಾಗುತ್ತದೆ?
|
Mar 05, 2026
03:40 PM
|
|
|
arjun jadhav
ITI Quiz - 05-Mar-2026 02:56 PM
|
What happens to the terminal voltage of a cell if load increases? | ಲೋಡ್ ಹೆಚ್ಚಾದರೆ ಸೆಲ್ ದ ಟರ್ಮಿನಲ್ ವೋಲ್ಟೇಜ್ಗೆ ಏನಾಗುತ್ತದೆ?
|
Mar 05, 2026
03:40 PM
|
|
|
sagar rocky
ITI Quiz - 05-Mar-2026 02:56 PM
|
What is the total output voltage of the circuit as shown in the figure? | ಚಿತ್ರದಲ್ಲಿ ತೋರಿಸಿರುವಂತೆ ಸರ್ಕ್ಯೂಟ್ನ ಟೋಟಲ್ ಔಟ್ಪುಟ್ ವೋಲ್ಟೇಜ್ ಎಷ್ಟು?
|
Mar 05, 2026
03:39 PM
|
|
|
shivanand sandimani
ITI Quiz - 05-Mar-2026 02:56 PM
|
What is the Electro Chemical Equivalent (ECE) of silver? | ಎಲೆಕ್ಟ್ರೊ ರಾಸಾಯನಿಕ ಸಮಾನತೆ (ECE) ಬೆಳ್ಳಿಯ ಏನು?
|
Mar 05, 2026
03:39 PM
|
|
|
shivanand sandimani
ITI Quiz - 05-Mar-2026 02:56 PM
|
Which is used as an electrolyte in lead acid battery? | ಲೀಡ್ ಆಯ್ಸಿಡ್ ಬ್ಯಾಟರಿಯಲ್ಲಿ ವಿದ್ಯುದ್ವಿಚ್ಛೇದ್ಯವಾಗಿ ಬಳಸಿದ ಪದಾರ್ಥ ಯಾವುದು?
|
Mar 05, 2026
03:39 PM
|
|
|
sagar rocky
ITI Quiz - 05-Mar-2026 02:56 PM
|
What is the Electro Chemical Equivalent (ECE) of silver? | ಎಲೆಕ್ಟ್ರೊ ರಾಸಾಯನಿಕ ಸಮಾನತೆ (ECE) ಬೆಳ್ಳಿಯ ಏನು?
|
Mar 05, 2026
03:39 PM
|
|
|
surak halli
ITI Quiz - 05-Mar-2026 02:56 PM
|
Which is used as a positive electrode in a dry cell? | ಒಣ ಕೋಶದಲ್ಲಿ ಸಕಾರಾತ್ಮಕ ವಿದ್ಯುದ್ವಾರವಾಗಿ ಬಳಸಲ್ಪಡುತ್ತಿರುವ ಯಾವುದು?
|
Mar 05, 2026
03:39 PM
|
|
|
shivanand sandimani
ITI Quiz - 05-Mar-2026 02:56 PM
|
What is the effect on output power with respect to the temperature of solar cells? | ಸೌರ ಸೆಲ್ಸ್ಗಳ ಉಷ್ಣತೆಗೆ ಸಂಬಂಧಿಸಿದಂತೆ ಔಟ್ಪುಟ್ ಪವರ್ ಮೇಲೆ ಏನು ಪರಿಣಾಮ ಬೀರುತ್ತದೆ?
|
Mar 05, 2026
03:39 PM
|
|
|
arjun jadhav
ITI Quiz - 05-Mar-2026 02:56 PM
|
Which is used as a positive electrode in a dry cell? | ಒಣ ಕೋಶದಲ್ಲಿ ಸಕಾರಾತ್ಮಕ ವಿದ್ಯುದ್ವಾರವಾಗಿ ಬಳಸಲ್ಪಡುತ್ತಿರುವ ಯಾವುದು?
|
Mar 05, 2026
03:39 PM
|
|
|
sagar rocky
ITI Quiz - 05-Mar-2026 02:56 PM
|
What is the Electro Chemical Equivalent (ECE) of copper? | ತಾಮ್ರದ ಎಲೆಕ್ಟ್ರೋ ರಾಸಾಯನಿಕ ಸಮಾನತೆ (ECE) ಎಂದರೇನು?
|
Mar 05, 2026
03:39 PM
|
|
|
shivanand sandimani
ITI Quiz - 05-Mar-2026 02:56 PM
|
What is the unit of electric charge? | ವಿದ್ಯುದಾವೇಶದ ಘಟಕ ಎಂದರೇನು?
|
Mar 05, 2026
03:39 PM
|
|
|
surak halli
ITI Quiz - 05-Mar-2026 02:56 PM
|
What does the letter ‘Z’ indicate in the formula M=Z I t? | M=Z I t ಸೂತ್ರದಲ್ಲಿ ‘Z’ ಅಕ್ಷರವು ಏನನ್ನು ಸೂಚಿಸುತ್ತದೆ?
|
Mar 05, 2026
03:39 PM
|
|
|
shivanand sandimani
ITI Quiz - 05-Mar-2026 02:56 PM
|
How the capacity of the batteries are specified? | ಬ್ಯಾಟರಿಗಳ ಸಾಮರ್ಥ್ಯವನ್ನು ಹೇಗೆ ಸೂಚಿಸಲಾಗಿದೆ?
|
Mar 05, 2026
03:39 PM
|
|
|
sagar rocky
ITI Quiz - 05-Mar-2026 02:56 PM
|
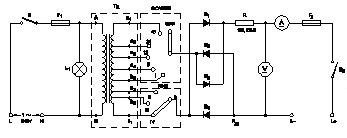
What is the function of fine selector switch in battery charger? | ಬ್ಯಾಟರಿ ಚಾರ್ಜರ್ನಲ್ಲಿ ಫೈನ್ ಸೆಲೆಕ್ಟರ್ ಸ್ವಿಚ್ನ ಕಾರ್ಯವೇನು?
|
Mar 05, 2026
03:39 PM
|
|
|
arjun jadhav
ITI Quiz - 05-Mar-2026 02:56 PM
|
How the positive plate changes, after the complete charging of lead acid battery? | ಲೀಡ್ ಆಸಿಡ್ ಬ್ಯಾಟರಿಯ ಸಂಪೂರ್ಣ ಚಾರ್ಜಿಂಗ್ ನಂತರ ಧನಾತ್ಮಕ ಪ್ಲೇಟ್ ಹೇಗೆ ಬದಲಾಗುತ್ತದೆ?
|
Mar 05, 2026
03:39 PM
|
|
|
shivanand sandimani
ITI Quiz - 05-Mar-2026 02:56 PM
|
Which is used as a top layer of a solar cell? | ಸೌರ ಸೆಲ್ದ ಮೇಲ್ಭಾಗದ ಲೇಯರ್ವಾಗಿ ಯಾವುದನ್ನು ಬಳಸಲಾಗುತ್ತದೆ?
|
Mar 05, 2026
03:39 PM
|
|
|
surak halli
ITI Quiz - 05-Mar-2026 02:56 PM
|
Which device converts the sunlight into electrical energy? | ಸೂರ್ಯನ ಬೆಳಕನ್ನು ವಿದ್ಯುತ್ ಶಕ್ತಿಯಾಗಿ ಪರಿವರ್ತಿಸುವ ಸಾಧನ ಯಾವುದು?
|
Mar 05, 2026
03:39 PM
|
|
|
shivanand sandimani
ITI Quiz - 05-Mar-2026 02:56 PM
|
What happens to the terminal voltage of a cell if load increases? | ಲೋಡ್ ಹೆಚ್ಚಾದರೆ ಸೆಲ್ ದ ಟರ್ಮಿನಲ್ ವೋಲ್ಟೇಜ್ಗೆ ಏನಾಗುತ್ತದೆ?
|
Mar 05, 2026
03:39 PM
|
|
|
surak halli
ITI Quiz - 05-Mar-2026 02:56 PM
|
What is the name of the defect that leads to bending of plates in secondary cells? | ಸೆಕಂಡರೀ ಸೆಲ್ಸ್ ಗಳಲ್ಲಿ ಪ್ಲೇಟ್ಗಳ ಬಾಗುವಿಕೆಗೆ ಕಾರಣವಾಗುವ ದೋಷದ ಹೆಸರೇನು?
|
Mar 05, 2026
03:39 PM
|
|
|
shivanand sandimani
ITI Quiz - 05-Mar-2026 02:56 PM
|
Why the vent plug is kept open during charging of a battery? | ಬ್ಯಾಟರಿ ಚಾರ್ಜ್ ಮಾಡುವಾಗ ತೆರಪಿನ ಪ್ಲಗ್ ಅನ್ನು ಏಕೆ ತೆರೆಯಲಾಗುತ್ತದೆ?
|
Mar 05, 2026
03:39 PM
|
|
|
arjun jadhav
ITI Quiz - 05-Mar-2026 02:56 PM
|
Which cell is most often used in digital watches? | ಯಾವ ಸೆಲ್ನ್ನು ಹೆಚ್ಚಾಗಿ ಡಿಜಿಟಲ್ ಗಡಿಯಾರಗಳಲ್ಲಿ ಬಳಸಲಾಗುತ್ತದೆ?
|
Mar 05, 2026
03:39 PM
|
|
|
sagar rocky
ITI Quiz - 05-Mar-2026 02:56 PM
|
Which method charges the battery at low current for long period? | ಯಾವ ವಿಧಾನವು ಬ್ಯಾಟರಿಯನ್ನು ಕಡಿಮೆ ಕರೆಂಟ್ನಲ್ಲಿ ದೀರ್ಘಕಾಲದವರೆಗೆ ಚಾರ್ಜ್ ಮಾಡುತ್ತದೆ?
|
Mar 05, 2026
03:39 PM
|
|
|
surak halli
ITI Quiz - 05-Mar-2026 02:56 PM
|
Which electrolyte used in carbon zinc dry cells? | ಕಾರ್ಬನ್ ಜಿಂಕ್ ಒಣ ಕೋಶಗಳಲ್ಲಿ ಬಳಸಿದ ವಿದ್ಯುದ್ವಿಚ್ಛೇದ್ಯ ಯಾವುದು?
|
Mar 05, 2026
03:39 PM
|
|
|
shivanand sandimani
ITI Quiz - 05-Mar-2026 02:56 PM
|
How the positive plate changes, after the complete charging of lead acid battery? | ಲೀಡ್ ಆಸಿಡ್ ಬ್ಯಾಟರಿಯ ಸಂಪೂರ್ಣ ಚಾರ್ಜಿಂಗ್ ನಂತರ ಧನಾತ್ಮಕ ಪ್ಲೇಟ್ ಹೇಗೆ ಬದಲಾಗುತ್ತದೆ?
|
Mar 05, 2026
03:39 PM
|
|
|
shivanand sandimani
ITI Quiz - 05-Mar-2026 02:56 PM
|
What happen if battery is wrongly connected during the charging? | ಚಾರ್ಜಿಂಗ್ ಸಮಯದಲ್ಲಿ ಬ್ಯಾಟರಿಯನ್ನು ತಪ್ಪಾಗಿ ಸಂಪರ್ಕಿಸಿದರೆ ಏನಾಗುತ್ತದೆ?
|
Mar 05, 2026
03:39 PM
|
|
|
surak halli
ITI Quiz - 05-Mar-2026 02:56 PM
|
What is the total voltage of the circuit as shown in the figure? | ಚಿತ್ರದಲ್ಲಿ ತೋರಿಸಿರುವಂತೆ ಸರ್ಕ್ಯೂಟ್ನ ಒಟ್ಟು ವೋಲ್ಟೇಜ್ ಎಂದರೇನು?
|
Mar 05, 2026
03:39 PM
|
|
|
arjun jadhav
ITI Quiz - 05-Mar-2026 02:56 PM
|
How the capacity of the batteries are specified? | ಬ್ಯಾಟರಿಗಳ ಸಾಮರ್ಥ್ಯವನ್ನು ಹೇಗೆ ಸೂಚಿಸಲಾಗಿದೆ?
|
Mar 05, 2026
03:39 PM
|
|
|
surak halli
ITI Quiz - 05-Mar-2026 02:56 PM
|
Which instrument is used to measure the specific gravity of electrolyte in lead acid battery? | ಲೀಡ್ ಆಯ್ಸಿಡ್ ಬ್ಯಾಟರಿಯ ನಿರ್ದಿಷ್ಟ ಗುರುತ್ವ ವಿದ್ಯುದ್ವಿಚ್ಛೇದ್ಯವನ್ನು ಅಳೆಯಲು ಯಾವ ಉಪಕರಣವನ್ನು ಬಳಸಲಾಗುತ್ತದೆ?
|
Mar 05, 2026
03:39 PM
|
|
|
shivanand sandimani
ITI Quiz - 05-Mar-2026 02:56 PM
|
What does the letter ‘Z’ indicate in the formula M=Z I t? | M=Z I t ಸೂತ್ರದಲ್ಲಿ ‘Z’ ಅಕ್ಷರವು ಏನನ್ನು ಸೂಚಿಸುತ್ತದೆ?
|
Mar 05, 2026
03:39 PM
|
|
|
arjun jadhav
ITI Quiz - 05-Mar-2026 02:56 PM
|
Which source of energy is used for satellite communication? | ಉಪಗ್ರಹ ಸಂವಹನಕ್ಕಾಗಿ ಯಾವ ಶಕ್ತಿಯ ಮೂಲವನ್ನು ಬಳಸಲಾಗುತ್ತದೆ?
|
Mar 05, 2026
03:39 PM
|
|
|
shivanand sandimani
ITI Quiz - 05-Mar-2026 02:56 PM
|
What is the total output voltage of the circuit as shown in the figure? | ಚಿತ್ರದಲ್ಲಿ ತೋರಿಸಿರುವಂತೆ ಸರ್ಕ್ಯೂಟ್ನ ಟೋಟಲ್ ಔಟ್ಪುಟ್ ವೋಲ್ಟೇಜ್ ಎಷ್ಟು?
|
Mar 05, 2026
03:39 PM
|
|
|
surak halli
ITI Quiz - 05-Mar-2026 02:56 PM
|
What is the purpose of the separator in lead acid battery? | ಲೀಡ್ ಆಸಿಡ್ ಬ್ಯಾಟರಿಯಲ್ಲಿ ವಿಭಜಕದ ಉದ್ದೇಶವೇನು?
|
Mar 05, 2026
03:39 PM
|
|
|
shivanand sandimani
ITI Quiz - 05-Mar-2026 02:56 PM
|
Which is the cause for buckling defect in lead acid battery? | ಲೀಡ್ ಆಸಿಡ್ ಬ್ಯಾಟರಿಯಲ್ಲಿ ಕೊರತೆಯನ್ನು ಉಂಟುಮಾಡುವ ಕಾರಣವೇನು?
|
Mar 05, 2026
03:39 PM
|
|
|
arjun jadhav
ITI Quiz - 05-Mar-2026 02:56 PM
|
How the positive plate changes, after the complete charging of lead acid battery? | ಲೀಡ್ ಆಸಿಡ್ ಬ್ಯಾಟರಿಯ ಸಂಪೂರ್ಣ ಚಾರ್ಜಿಂಗ್ ನಂತರ ಧನಾತ್ಮಕ ಪ್ಲೇಟ್ ಹೇಗೆ ಬದಲಾಗುತ್ತದೆ?
|
Mar 05, 2026
03:39 PM
|
|
|
surak halli
ITI Quiz - 05-Mar-2026 02:56 PM
|
What is the purpose of the hydrometer is used during charging of battery? | ಬ್ಯಾಟರಿ ಚಾರ್ಜ್ ಮಾಡುವಾಗ ಹೈಡ್ರೋಮೀಟರ್ ಅನ್ನು ಯಾವ ಉದ್ದೇಶಕ್ಕಾಗಿ ಬಳಸಲಾಗುತ್ತದೆ?
|
Mar 05, 2026
03:39 PM
|
|
|
sagar rocky
ITI Quiz - 05-Mar-2026 02:56 PM
|
What is the effect of buckling defect in a lead acid battery? | ಲೀಡ್ ಆಸಿಡ್ ಬ್ಯಾಟರಿಯಲ್ಲಿ ಬಕ್ಲಿಂಗ್ ದೋಷದ ಪರಿಣಾಮವೇನು?
|
Mar 05, 2026
03:39 PM
|
|
|
surak halli
ITI Quiz - 05-Mar-2026 02:56 PM
|
Which part is losing its weight during the electrolysis? | ವಿದ್ಯುದ್ವಿಭಜನೆಯ ಸಮಯದಲ್ಲಿ ಯಾವ ಭಾಗವು ಅದರ ತೂಕವನ್ನು ಕಳೆದುಕೊಳ್ಳುತ್ತದೆ?
|
Mar 05, 2026
03:39 PM
|
|
|
sagar rocky
ITI Quiz - 05-Mar-2026 02:56 PM
|
What is the reaction that takes place in negative plate of lead acid battery after complete discharging? | ಸಂಪೂರ್ಣ ಡಿಸ್ಚಾರ್ಜ್ ಆದ ನಂತರ ಲೆಡ್ ಆಸಿಡ್ ಬ್ಯಾಟರಿಯ ಋಣಾತ್ಮಕ ಪ್ಲೇಟ್ನಲ್ಲಿ ಯಾವ ಪ್ರತಿಕ್ರಿಯೆ ಸಂಭವಿಸುತ್ತದೆ?
|
Mar 05, 2026
03:39 PM
|
|
|
shivanand sandimani
ITI Quiz - 05-Mar-2026 02:56 PM
|
Which part is losing its weight during the electrolysis? | ವಿದ್ಯುದ್ವಿಭಜನೆಯ ಸಮಯದಲ್ಲಿ ಯಾವ ಭಾಗವು ಅದರ ತೂಕವನ್ನು ಕಳೆದುಕೊಳ್ಳುತ್ತದೆ?
|
Mar 05, 2026
03:39 PM
|
|
|
surak halli
ITI Quiz - 05-Mar-2026 02:56 PM
|
How the positive plate changes, after the complete charging of lead acid battery? | ಲೀಡ್ ಆಸಿಡ್ ಬ್ಯಾಟರಿಯ ಸಂಪೂರ್ಣ ಚಾರ್ಜಿಂಗ್ ನಂತರ ಧನಾತ್ಮಕ ಪ್ಲೇಟ್ ಹೇಗೆ ಬದಲಾಗುತ್ತದೆ?
|
Mar 05, 2026
03:39 PM
|
|
|
shivanand sandimani
ITI Quiz - 05-Mar-2026 02:56 PM
|
What will be the effect if one cell is connected with reverse polarity in a parallel combination circuit? | ಸಮಾನಾಂತರ ಸಂಯೋಜಿತ ಸರ್ಕ್ಯೂಟ್ನಲ್ಲಿ ಒಂದು ಕೋಶವನ್ನು ಹಿಮ್ಮುಖ ಧ್ರುವೀಯತೆಯೊಂದಿಗೆ ಸಂಪರ್ಕಿಸಿದರೆ ಪರಿಣಾಮ ಏನಾಗುತ್ತದೆ?
|
Mar 05, 2026
03:38 PM
|
|
|
arjun jadhav
ITI Quiz - 05-Mar-2026 02:56 PM
|
What will be the effect if one cell is connected with reverse polarity in a parallel combination circuit? | ಸಮಾನಾಂತರ ಸಂಯೋಜಿತ ಸರ್ಕ್ಯೂಟ್ನಲ್ಲಿ ಒಂದು ಕೋಶವನ್ನು ಹಿಮ್ಮುಖ ಧ್ರುವೀಯತೆಯೊಂದಿಗೆ ಸಂಪರ್ಕಿಸಿದರೆ ಪರಿಣಾಮ ಏನಾಗುತ್ತದೆ?
|
Mar 05, 2026
03:38 PM
|